10号电子龙头锁
10号电子龙头锁

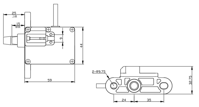
外形尺寸:74*78*33

额定电压:DC5v

结构方式:

直流电机+齿轮传动+霍尔定位

工作方式:

电动解锁+备用开锁垫

环境温度:-30℃~60℃


产品详情

image.png